Transportation 3xxx Anodized Aluminium Plate 3003 3005 3105 Al 5056 5052 H32 5754 H111 H114 5083 H112 Marine Grade Alloy Aluminum Sheet

Customization: Available
Color: Silver
Application: Transportation Tools, Door & Window, Glass Wall, Heat Sink, Decorations

Product Description

Basic Info

Model NO.
5083 H112 Marine Grade Alloy Aluminum Sheet
Certification
RoHS, ISO9001, ASTM, JIS, GB, EN, ASTMB
Technique
Hot Rolled & Cold Rolled
Grade
5000 Series
Temper
O - H112
Surface Treatment
Brushing, Mill Finish, Polished
Thickness
0.2-280mm
Width
600-2800mm
Length
1000-12000mm
Usage
Roofing, Wall, Structure, Automobile, Industry

Product Description

We are one of the leading Aluminum Manufacturers in China. Equipped with advanced extrusion production lines (600 tons-3,500 tons), automatic oxidation electrophoresis lines, and vertical/horizontal spraying equipment, we concentrate on high-performance aluminum products. Our Aluminum Sheet is manufactured to the highest quality standards, ensuring it meets industrial requirements as a cost-effective solution across different sectors.
Standard Material Grades
ASTM, AISI, SUS, EN, JIS, DIN, GB, ASME 1Series: 1050, 1060, 1100
2Series: 2014, 2024, 2124
3Series: 3003, 3004, 3105
5Series: 5052, 5754, 5083, 5086
6Series: 6061, 6083
7Series: 7050, 7075
Surface Finish Hairline, Oxidation, Mirror, Embossed, Anodized
Aluminum Sheet Display
Aluminum Plate Material
Anodized Aluminum
Marine Grade Aluminum Sheet

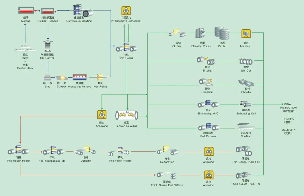
Production Process

Production Workflow
Step 1 Processing
Step 2 Processing
Step 3 Processing
Quality Inspection

Packaging & Shipping

Packaging Detail
Shipping Logistics
Container Loading
Seaworthy Package
Export Standards

Applications

Our products are widely used in lighting, solar reflectors, architectural appearance, interior decoration (ceilings, furniture), aerospace, military spacecraft, machinery parts processing, and chemical/insulation pipelines.
Architecture Application
Industrial Usage
Transport Application

Our Factory & Advantages

Factory Overview
Production Line
Machinery
Competitive Advantages

Global Customers

Customer Visit
Client Cooperation
Export Network
Customer Satisfaction

Frequently Asked Questions

Q1: What are the main features of 5083 H112 aluminum sheets?
A1: 5083 H112 is a marine-grade alloy known for its exceptional corrosion resistance in seawater, high strength, and excellent weldability, making it ideal for shipbuilding and industrial structures.
Q2: Can the thickness and size of the aluminum sheets be customized?
A2: Yes, we provide thickness ranging from 0.2mm to 280mm and can customize width and length according to your specific project requirements.
Q3: What quality certifications do your products hold?
A3: Our aluminum products comply with international standards including ISO9001, RoHS, ASTM, JIS, and EN, ensuring consistent quality for global export.
Q4: What surface treatments are available?
A4: We offer various finishes including Mill Finish, Brushing, Polishing, Mirror Finish, Embossing, and Anodizing to suit different aesthetic and functional needs.
Q5: How do you ensure the safety of products during shipping?
A5: We use standard seaworthy export packaging, involving PVC protection film and Kraft paper, to prevent damage and moisture during long-distance transportation.
Q6: What is your typical production capacity for these sheets?
A6: Our facility has a robust production capacity of approximately 30,000 tons per year, ensuring timely delivery for large-scale industrial orders.

Related Products